This toolbox opens new doors for the simulation and analysis of protection systems. Both steady-state and time-domain simulation options are available. All relay, fuse and thermal element models are solved in time-domain with nonlinear functions, such as CT, VT and CVT magnetization. This new implementation for EMTP® allows to achieve highest levels of accuracy for protection coordination and analysis of performance with highly accurate power system models.
The power system may include many details ranging from power electronics models, HVDC transmission models and wind generation combined with traditional generation and transmission. There are no limitations! The relays can capture transients, harmonics, and various effects from power electronics based device controls.
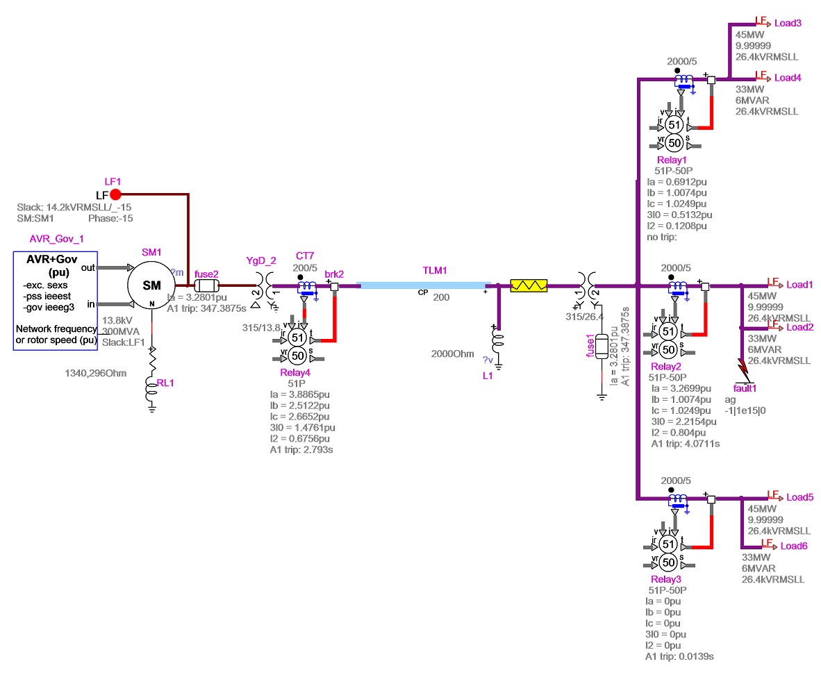
Setting protection systems for renewable energies is finally made easy with the new EMTP® Protection Toolbox. The user can study any power system including inverter based devices for coordinating power-swing detection, distance protections, the interruption of currents by current-limiting fuses or determination of transformer differential protection settings.

1. Distance protection
- Four Zones of Phase and Ground Distance Protection
- Polarized Mho, Lens or quadrilateral characteristics
- Voltage polarization options from the main relay manufacturers
- Zones and impedance locus drawing in R-X plan
- Overcurrent reactance and directional supervisors, Load encroachment supervisor, Fault-Identification Selection (FIDS)
- Zone and impedance locus drawing in R-X graphs

Distance protection
2. Power-swing detection / Out-of-step tripping
- 2 or 3-step detection
- Mho, Lens or quadrilateral characteristics with Blinders
- Continuous impedance calculation
- Based on Manufacturers algorithms

Power Swing detection
3. Differential protection
- 2 or 3-winding transformer with tap changers
- Phase and ground differential
- Harmonics inhibit and restraint options
- External fault detection based on manufacturers algorithms
- Transmission Line Differential Protection
Alpha plane visualization and protection
Differential current during transformer inrush
Alpha plane visualization
4. Overcurrent protection
- More than 60 tripping and reset time curves
- Phase, ground, negative sequence, zero-sequence protection
- Possibility to add user-defined curves
- Voltage restraint
- Positive-sequence restraint options
- 2 levels for each protection
Overcurrent protection - Time Current coordination
5. Loss-of-field
- Two Mho zones
- Typical setting calculator

Loss of field
6. Fuse
- Current-limiting and expulsion fuses
- Peak Let-Thru characteristic
- Possibility to add user-defined curves
- Melting curve, Pre-arc and Clearance energies
The protection toolbox has 3 levels:

Effect of current-limiting fuse